萬向鉸鏈補償器多用來補償立體管系的位移,由于其獨特的結構,管系支架不承受內壓推力,只承受補償器的彈力。使用時與平面鉸鏈布置方法相同。
【產品名稱】:JWJ型萬向鉸鏈補償器
【產品別名】:萬向型鉸鏈補償器
【產品規格】:【DN100mm-DN1200mm】
【產品壓力】:0.6-2.5MPa
【產品】:
【適用范圍】:【弱酸、弱堿、弱腐蝕類、油、熱水、冷水等】
【產品材質】:碳鋼,球墨鑄鐵,不銹鋼.
【產品顏色】:藍色,可根據客戶要求調色.
【工作溫度】:-40度至80度
在線咨詢
購買熱線: 021-622-00727
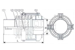
萬向鉸鏈補償器主要以角偏轉的方式補償多平面彎曲管段的合成位移。 由于平衡環、銷軸和鉸鏈板能承受壓力推力和其他附加外力的作用,自身吸收內壓推力,不會對管道產生外力,因此管道支撐的設置可以簡化。萬向鉸鏈式波紋補償器可以補償管線任意向上的角位移。萬向鉸鏈型補償器與鉸鏈式不同處在于它有一個萬向環,在萬向環的周向有二對相互垂直的鉸鏈結構,因此它能吸收任意平面的角向位移,同樣吸收橫向位移時需二個或三個組合使用。
萬向鉸鏈補償器通過一個萬向軸和銷軸的作用,實現了管道在任意平面內的角向位移。銷軸還能在一定程度上起到一個限位的作用,避免損壞波紋管。并且結構合理,運行穩定,極大減少了管道線路的后期維護。
近日,臺州污水處理廠三期工程正式開工建設。該工程位于椒南污水處理廠廠區東面,建設用地149畝,總投資超過4億元,建設期限為2016年至2018年。
工程主要建設有日處理10萬噸污水的處理廠一座,服務面積約44平方公里,服務范圍包括葭沚西片區、下陳、洪家、三甲及臺州灣循環經濟產業集聚區椒江片區,服務人口約20萬人。
上海駱盈向臺州污水處理廠供應的萬向鉸鏈補償器能夠針對管道線路在運行過程中出現的位移提供充足的角向,橫向等方向的位移補償,除此之外, 萬向鉸鏈補償器通過一個萬向軸和銷軸的作用,實現了管道在任意平面內的角向位移。銷軸還能在一定程度上起到一個限位的作用,避免損壞波紋管。并且結構合理,運行穩定,極大減少了管道線路的后期維護。

請點擊圖片看大圖
| 序號NO. | 通徑Diameter DN | 波數Number of waven | 橫向補償Horizontal compensation mm/橫向剛度Horizontal Stiffness N/mm | 徑向很大尺寸Max radial size mm | 接管端口尺寸Size of end of connection tube | 產品重量Weight kg | |||||||||
| 產品總長Total length mm | 法蘭尺寸Flange Size | 產品總長Total length mm | |||||||||||||
| 1200 | 1500 | 2000 | 2500 | 3000 | c | n-d | 1200 | 1500 | 2000 | 2500 | 3000 | ||||
| 1 | 100 | 4+4 | 91/4 | 127/2 | 187/1 | 247/06 | 330 | φ180×4 | 46 | 55 | 71 | 86 | |||
| 2 | φ180 | φ8-180 | 56 | 65 | 81 | 96 | |||||||||
| 3 | 125 | 4+4 | 99/11 | 140/6 | 209/3 | 277/2 | 335 | φ133×14 | 66 | 83 | 101 | 118 | |||
| 4 | φ210 | φ8-18 | 79 | 96 | 114 | 131 | |||||||||
| 5 | 150 | 4+4 | 108/12 | 153/6 | 230/3 | 307/2 | 380 | φ159×4.5 | 75 | 97 | 107 | 129 | |||
| 6 | φ240 | φ8-23 | 91 | 113 | 123 | 145 | |||||||||
| 7 | 200 | 3+3 | 75/42 | 108/21 | 164/10 | 220/6 | 450 | φ219×6 | 102 | 124 | 161 | 198 | |||
| 8 | φ295 | φ12-23 | 122 | 144 | 181 | 218 | |||||||||
| 9 | 250 | 3+3 | 76/68 | 116/33 | 182/14 | 244/8 | 525 | φ273×8 | 152 | 182 | 230 | 280 | |||
| 10 | φ355 | φ12-25 | 183 | 213 | 261 | 311 | |||||||||
| 11 | 300 | 3+3 | 104/66 | 169/28 | 234/15 | 299/10 | 585 | φ325×8 | 242 | 307 | 372 | 437 | |||
| 12 | φ410 | φ12-25 | 278 | 343 | 408 | 473 | |||||||||
| 13 | 350 | 3+3 | 160/38 | 225/20 | 291/3 | 662 | φ377×8 | 259 | 324 | 389 | 454 | ||||
| 14 | φ470 | φ16-25 | 306 | 371 | 436 | 501 | |||||||||
| 15 | 400 | 3+3 | 95/96 | 144/52 | 202/28 | 262/17 | 710 | φ426×8 | 333 | 408 | 483 | 557 | |||
| 16 | φ525 | φ16-30 | 395 | 470 | 545 | 619 | |||||||||
| 17 | 450 | 3+3 | 85/130 | 115/90 | 162/48 | 210/29 | 285/20 | 776 | φ478×8 | 464 | 561 | 658 | 755 | ||
| 18 | φ585 | φ20-30 | 544 | 641 | 738 | 835 | |||||||||
| 19 | 500 | 3+3 | 101/127 | 143/66 | 186/41 | 229/27 | 842 | φ529×8 | 563 | 662 | 761 | 860 | |||
| 20 | φ650 | φ20-34755 | 673 | 772 | 871 | 970 | |||||||||
| 21 | 600 | 3+3 | 98/182 | 143/93 | 187/56 | 232/38 | 976 | φ630×8 | 755 | 898 | 1041 | 1184 | |||
| 22 | φ770 | φ20-41 | 916 | 1059 | 1201 | 1345 | |||||||||
專業制造、專業服務,駱盈為你創造更多價值 !
不斷提升服務質量,精益求精,“真誠的服務”是駱盈永恒的主題。駱盈嚴格按照 要求,質量嚴格把關,責任到人,確保生產、銷售、服務的健康運行。加強與用戶溝通,竭誠為廣大客戶提供優質產品,至善至美服務,特此駱盈做出如下承諾:
產品標準
產品嚴格按照中國 GB、HG 標準和美國 API 等標準設計、制造、驗收。密封面硬度達到規定要求,寬度超過標準。
售前服務
產品介紹,技術交流,非標產品設計,疑難解答。
售中服務
1、守信合同,保證及時供貨,隨時保持與客戶聯系
2、對特殊或復雜的產品,我廠安排技術人員對用戶進行產品使用、故障排除、調式及維修進行培訓和指導。
售后服務
1、駱盈產品質保期為自出廠起 12 個月,實行“三包”服務(包退、包換、包修)。
2、產品在使用中我廠定期組織技術、檢查人員進行訪問,征詢用戶對產品質量、使用狀況、改進意見等方面的反饋,以便進一步提高產品質量。
3、對用戶投訴產品質量問題,快速做出反映,售后服務人員在 24-36 小時(省外 48 小時)趕赴現場。
4、對售后服務,要求用戶填寫服務后的質量反饋表,并做出鑒定意見,共同提高駱盈的產品質量與服務質量。
1、客戶采購清單請傳真至 021-64207088 E-mail:luoying@luoyingsh.com,或來電咨詢 021-62212627。
2、收到客戶采購清單,為客戶提供產品型號選型與報價(價格清單)。
3、具體商定:交貨期、特殊要求等事宜。
訂貨須知
1、客戶對產品有特殊要求,須在訂貨合同中提供以下說明:
(1)結構長度
(2)連接形式
(3)公稱直徑、全通徑、縮徑、管道尺寸
(4)用介質及溫度、壓力范圍
(5)實驗、檢驗標準及其他要求本廠可根據客戶特殊要求配置定做和設計特殊產品。
2、本廠可根據客戶特殊要求配置定做和設計特殊產品。
3、如由客戶提供確定的產品類型和型號時,客戶應正確說明其型號的含義和要求,在供需雙方理解一致的條件下簽訂合同。
您也可以聯系在線客服